EPS@ISEP | The European Project Semester (EPS) at ISEP
Work plan
Deadlines
2016-02-29 Choose a project proposal and send the result via email to epsatisep@gmail.com
2016-03-08 Define the Tasks (what must be done - all members must participate in all tasks), subtask allocation (who does what) and Gantt chart (when) of the project and insert them on the wiki (planning)
2016-03-14 Upload the “black box” System Diagrams & Structural Drafts to the wiki
2016-03-29 Upload the detailed System Schematics & Structural Drawings to the wiki and finish the cardboard scale model of the structure
2016-04-04 Upload the List of Materials (what & quantity) to the wiki
2016-04-11 Complete the List of Materials (local providers & price - including VAT and transportation) to the wiki
2016-04-16 Upload the Interim Report and Presentation to the wiki. The report must contain the Introduction, including the tasks, team members allocation and Gantt chart, State of the Art, Marketing Plan, Project Management, Eco-eficiency Measures for Sustainability, Ethical and Deontological Concerns, Proposed Solution and Bibliography chapters
2016-04-21 Interim Presentation, Discussion and Peer, Teacher and Supervisor Feedbacks
2016-04-29 Upload refined Interim Report (based on Teacher & Supervisor Feedbacks)
2016-05-30 Upload the Functional Tests' Results to the wiki
2016-06-11 Upload the Final Report, Presentation, Video, Paper, Poster and Manual
2016-06-16 Final Presentation, Individual Discussion and Assessment
2016-06-21:
Update the wiki with all correction suggestions
Hand in a CD with the corrected deliverables (source + PDF) together with all code produced to the EPS coordinator
Hand in one printed exemplar of the corrected report to the EPS coordinator
2016-06-23:
Hand in the prototype and user manual to the client
Receive the EPS@ISEP certificate
Tasks
| Task | Responsible |
| Planning |
| Find the tasks | All |
| Create the Gantt | All |
| System Diagrams & Structural Drafts | Alvaro |
| System Schematics & Structural Drawings | Alvaro |
| Research |
| Physical Characteristics Fish | Martin, Alvaro |
| Programming Research | Achim |
| Targets | All |
| Design | Terry, Alvaro |
| Engineering Development | Terry, Martin |
| State of the Art | All |
| Marketing Study |
| Compare suppliers | Justyna |
| Compare budget and the project | Justyna |
| Modifications | All |
| Materials |
| What | Achim, Terry |
| Quantity | Achim, Terry |
| Prototyping |
| Materials | All |
| Design | Terry, Alvaro |
| Construction | All |
| Functional Tests | All |
| Improvement/modification | All |
| Report/Presentation |
| Upload Final Report, Presentation, Video, Paper, Poster, Manual and Website | All |
| Final Presentation, Individual Discussion and Assessment | All |
| Wiki |
| Update the wiki with all correction suggestions | All |
| Hand in a CD with the corrected deliverables together with all code produced to the EPS coordinator | All |
| Hand in one printed exemplar of the corrected report to the EPS coordinator | All |
| Final Submission |
| Hand in the prototype and user manual | All |
| Certificate | All |
Gantt Chart
System Diagram
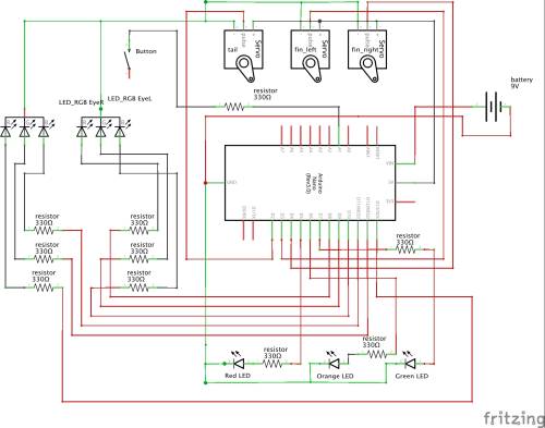
Electronic Schematic